日期:2025-06-09 分类:产品知识 浏览:296 来源:
当MOS管驱动能力不足时,我们会使用推挽电路来放大电流,但是MOS管明明是压控型器件,为什么要去考虑电流大小呢?

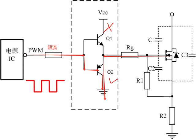
推挽工作原理:由电源IC发出占空比信号,也就是这个方波,通过电阻限流到达三极管的基极:上管是npn下管是pnp。
当信号为高电平输出到达三极管基极时,Q1导通,(npn在高电平时导通),随后MOS管导通。
![1714369182489097.jpg 9d82d158ccbf6c81e16a1095d010653833fa402d[1].jpg](/uploads/admin/1/remote/6846b17139b3f.png)
![1714369188334782.jpg 34fae6cd7b899e51323066e229890d3ec9950d41[1].jpg](/uploads/admin/1/remote/6846b1714e86f.png)
当输出低电平时,上管Q1截止,Q2导通(pnp是低电平导通),随后MOS管通过电阻放电到地,最后截止。
![1714369229154254.jpg 2934349b033b5bb5239b39985afd0134b700bcc0[1].jpg](/uploads/admin/1/remote/6846b1715fde3.png)
![1714369263758562.jpg 9d82d158ccbf6c813662ada8d010653832fa40d1[1].jpg](/uploads/admin/1/remote/6846b17177ec5.png)
也就是说,通过两个三极管轮流工作来进行一推一挽,来达到推挽的功能。
这里的R1的作用是用来确定开机时候的初始电位,以防开机误触发mos管,以及关机放电。
那R2呢?有没有小伙伴知道的在评论区解答一下~
通常会使用推挽电路是因为,有时一些IC或者CPU的电流比较小,不足以驱动MOS管,所以加入推挽来增加驱动能力。
那为什么MOS管是压控性器件,还需要考虑电流大小进行驱动?
这是一个IC直接驱动电路:
![1714369269399062.jpg 500fd9f9d72a6059fc78ec7b431ae096033bba27[1].jpg](/uploads/admin/1/remote/6846b17189513.png)
首先需要从IC手册中了解它最大的峰值驱动电流(不同IC芯片驱动能力不同),C1、C2决定了MOS管被驱动时 的导通速度。
当IC电流比较小时,C1 C2会比较大,这时MOS管的驱动速度会变慢,在有些电路中是不适应的。
原因很简单,这是因为MOS管的输入电容CGS和CGD这两个电容和芯片的面积有一定关系,MOS管本质上虽然是压控型器件,但栅极电位的上升与下降本质上是对CGS、CGD电容的充放电速度。
![1714369277100631.jpg 8b13632762d0f7035607878263d485302797c5f7[1].jpg](/uploads/admin/1/remote/6846b1719c29c.png)
因此当MOS管驱动能力不足时,就需要利用推挽来进行放大电流了。
上一篇: 桥堆整流电压不稳定的原因是什么?